USB PD VoltageSelector
2025.11.26
USB PD充電器から任意の電圧を取り出す「USB PD VoltageSelector」を作製しました。
身近にあるUSB PD充電器を電源として活用してみようというのが今回の趣旨です。

■ 実現方法
どうやってUSB PD充電器から任意の電圧を取り出すのか?
今回キーデバイスとなるのは中国WCH社のIC CH224K です。
電工作愛好者の強い味方、秋月電子通商で60円で売ってました。
このICを使うことで、任意の電圧を指定して取り出す“PDトリガー”ができます。
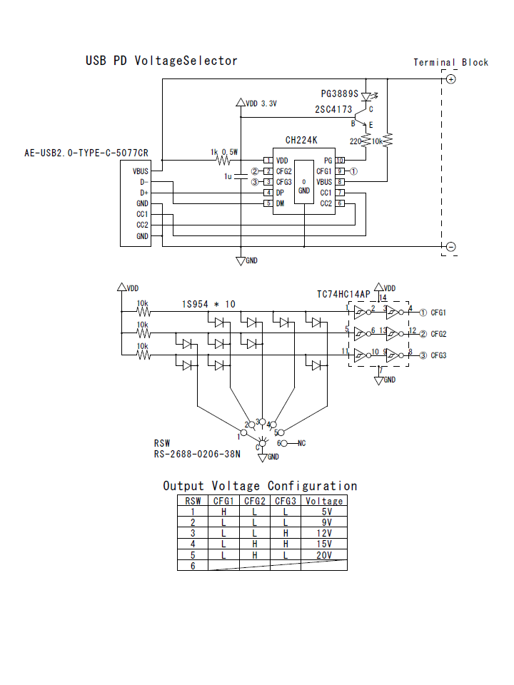
■ 回路図
本回路図は設計思想の探究の一環として公開するものです。
技術的な正確性や安全性について保証するものではなく、
利用に伴う責任はすべて利用者に帰属します。

上図はCH224Kのデータシートを参考に作図した回路図です。
機能別に回路図上段のPDトリガー回路と下段のスイッチ回路があります。
出力が20Vのとき、PDトリガー回路の1kΩの抵抗で消費される電力は
計算上 0.28W と通常のリード線抵抗器の定格0.25Wをわずかに超えます。
2kΩの並列接続するなど工夫が必要です。
ちょっと工夫したのはスイッチ回路の方。
ロータリスイッチのポジションを 1, 2, 3, 4, 5 の順に切り換えると、
CFG1~3は 2進数で 4, 0, 1, 3, 2 の順に変化し、
出力は 5V, 9V, 12V, 15V, 20V に変化します。
ポジション6はストッパーをかけて物理的に選択不可にします。
スイッチ回路出力段のインバータ2段によるバッファは
波形整形の役割でハイ(1) か ロー(0) かをハッキリさせ、出力を安定させます。
このバッファがないと、安定した動作が得られませんでした。
インバータICの電源はCH224Kの1番ピン(VDD)からとっています。
1番ピンはシャントレギュレータで3.3Vなのですが、インバータIC1個なら
これでドライブできるようです。
■ 部品実装
回路図どおりユニバーサル基板に部品をはんだ付けで実装します。
■ 動作確認
左側のUSB-CコネクタにUSB PD充電器を接続、右側のターミナルブロックに
デジタルマルチメータを接続し出力を確認します。
ロータリスイッチを切り換え、任意の電圧を取り出すことができました。

12V出力をサポートしてないUSB PD充電器を接続した場合、12Vを選択すると
9Vが出力される仕様のようです。
USB PD VoltageSelectorは、身近な充電器を多用途の電源に変える小さな工夫です。
設計思想の探究の一環として公開しましたので、ぜひ参考にしていただければ幸いです。
身近にあるUSB PD充電器を電源として活用してみようというのが今回の趣旨です。

■ 実現方法
どうやってUSB PD充電器から任意の電圧を取り出すのか?
今回キーデバイスとなるのは中国WCH社のIC CH224K です。
電工作愛好者の強い味方、秋月電子通商で60円で売ってました。
このICを使うことで、任意の電圧を指定して取り出す“PDトリガー”ができます。
■ 回路図
本回路図は設計思想の探究の一環として公開するものです。
技術的な正確性や安全性について保証するものではなく、
利用に伴う責任はすべて利用者に帰属します。

上図はCH224Kのデータシートを参考に作図した回路図です。
機能別に回路図上段のPDトリガー回路と下段のスイッチ回路があります。
出力が20Vのとき、PDトリガー回路の1kΩの抵抗で消費される電力は
計算上 0.28W と通常のリード線抵抗器の定格0.25Wをわずかに超えます。
2kΩの並列接続するなど工夫が必要です。
ちょっと工夫したのはスイッチ回路の方。
ロータリスイッチのポジションを 1, 2, 3, 4, 5 の順に切り換えると、
CFG1~3は 2進数で 4, 0, 1, 3, 2 の順に変化し、
出力は 5V, 9V, 12V, 15V, 20V に変化します。
ポジション6はストッパーをかけて物理的に選択不可にします。
スイッチ回路出力段のインバータ2段によるバッファは
波形整形の役割でハイ(1) か ロー(0) かをハッキリさせ、出力を安定させます。
このバッファがないと、安定した動作が得られませんでした。
インバータICの電源はCH224Kの1番ピン(VDD)からとっています。
1番ピンはシャントレギュレータで3.3Vなのですが、インバータIC1個なら
これでドライブできるようです。
■ 部品実装
回路図どおりユニバーサル基板に部品をはんだ付けで実装します。
■ 動作確認
左側のUSB-CコネクタにUSB PD充電器を接続、右側のターミナルブロックに
デジタルマルチメータを接続し出力を確認します。
ロータリスイッチを切り換え、任意の電圧を取り出すことができました。

12V出力をサポートしてないUSB PD充電器を接続した場合、12Vを選択すると
9Vが出力される仕様のようです。
USB PD VoltageSelectorは、身近な充電器を多用途の電源に変える小さな工夫です。
設計思想の探究の一環として公開しましたので、ぜひ参考にしていただければ幸いです。
トラックバックURL
トラックバック一覧
コメント一覧
コメント投稿
2025.11.26 22:50
|
